0 258 261 39 54
0 258 241 58 35
hidrofen@hidrofen.com.tr
Anasayfa
Kurumsal
Ürünlerimiz
Çözüm Ortaklarımız
Online Katalog
İletişim
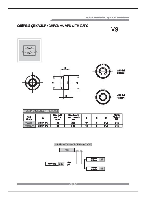
Winman Vs Serisi Kartriç Tip Orifisli Çekvalf
Anasayfa
Winman Kartriç Tip Akış Kontrol Valfleri
Winman Vs Serisi Kartriç Tip Orifisli Çekvalf
Ürün Kategorileri
Menü Aç
winman-vs-serisi-kartric-tip-orifisli-cekvalf
Hidrolik
Hidrolik Borular
Hidrolik Silindirler
Hidrolik Döner Klempler
Winman Hidrolik Yön Kontrol Valfleri
Winman Mekanik Kontrollü Valfler
Winman D Serisi Solenoid Kontrollü Valfler
Winman V Serisi Solenoid Kontrollü Valfler
Winman Oransal Valfler
Winman Oransal Kartriç Yedek Bobini
Winman Oransal Valf Kontrol Kartları
Winman Pleyt Tipi Valfler
Winman Modüler Kontrollü Valfler
Winman Hidrolik Kartriçler
Winman Kartriç Bobinleri
Winman Kartriç Tip Basınç Kontrol Valfleri
Winman Kartriç Tip Akış Kontrol Valfleri
Winman Kartriç Solenoid Valfleri
Winman 2 2 Popet Valf Gövdeleri
Manuel Acil Buton
Winman Lojik Kontrollü Valfler
Winman Hidrolik Hat Tipi Valfler
Winman Hidrolik Mobil Valfler
Winman Hat Tipi Yük Tutma Valfi Tekli
Winman Hat Tipi Yük Tutma Valfi Çift Etkili
Winman Modüler Yük Tutma Valfleri-Owc Seris
Winman Hat Tipi Direk Emniyet Valfleri
Winman Hat Tipi Platform Valfleri-Vc Dc Serisi
Winman Hat Tipi Basınç Sıralama Valfleri-Vsq Serisi
Winman Hat Tipi Tandem Sıfırlama Valfleri-Vd Serisi
Winman Hidrolik Hat Tipi Aksesuarlar
Winman Hat Tipi Çeksiz Hız Ayar Valfleri – Stbf Serisi
Winman Hat Tipi Basınç Duyarlı Hız Ayar Valfleri – Vrc Serisi
Winman Hat Tipi Kilitleme Valfleri
Winman Manometre Aç-Kapa Valfleri
Winman Hidrolik Üç Yollu Küresel Vanalar – Ddf3 Serisi
Winman Hidrolik Veya Valfleri
Winman Hat Tipi Üç Yollu Akış Bölücü Valfler
Winman Hidrolik Valf Pleytleri
Winman Hidrolik Valf Pleytleri
Winman Hidrolik Alüminyum Valf Pleytleri
Winman Hidrolik Pompalar
Winman Hidrolik Pistonlu Pompalar Dflr Serisi
Winman Hidrolik Dişli Pompalar
Winman Hidrolik Değişken Debili Paletli Pompalar
Winman Hidrolik Sabit Debili Paletli Pompalar
Winman Hidromotorlar
Winman Orbit Hidromotorlar
Winman Hidrolik El Pompaları
Winman Güç Üniteleri
Winman Hidrolik Powerpack Güç Üniteleri
Winman Mini Power Pack Üniteler
Winman Soğutucular
Sulu Soğutucular
Winman Havalı Soğutucular
Winman Soğutucu Aksesuarları
Hidrolik Kumanda Kolları
Hidrolik Monoblok Kumanda Kolları
Hidrolik Dilimli Kumanda Kolları
Hidrolik Basınç Şalterleri
Hidrolik Depo Aksesuarları
Filtreler
Kromlu Miller
Döküm Miller
Scanwıll Basınç Yükselticiler
Pnömatik
Pnömatik Tutucular (Gripper)
Winman Zaman Roleleri
Winman Pnömatik Silindirler
Winman Rodless Silindirler
Pnömatik Borular
Yuvarlak Pnömatik Silindir Boruları
Winman Alüminyum Profil Pnömatik Silindir Boruları-Ws
Winman Pnömatik Silindir Aksesuarları
Winman Mikro Pnömatik Silindirler
Winman Silindirler İçin Dönmez Yataklamalar
Winman Sensörler Ve Braketleri
Winman Sensörler
Winman Sensör Braketleri
Winman Basınç Ve Vakum Şalterleri
Winman P Serisi Dijital Basınç Şalteri
Winman Pnömatik Valf Grupları
Winman Solenoid Kontrollü Pnömatik Valfler
Winman Zaman Roleleri
Winman Solenoid Kontrollü Pnömatik Valfler -V Serisi
Winman Solenoid Kontrollü Pnömatik Valfler -Sf Serisi
Winman Solenoıd Kontrollü Pnömatik Mini Valfler
Winman Hava Kontrollü Pnömatik Valfler
Winman A Serisi Hava Kontrollü Pnömatik Valfler
Winman Mekanik Kontrollü Pnömatik Valfler
Winman L Serisi Manuel Kontrollü Pnömatik Valfler
Winman M5 Serısı Mekanik & Manuel Kontrollü Pnömatik Valfler
Winman Hava Hazırlayıcılar
Winman Frl Serisi Hava Hazırlayıcılar
Winman Ga Serisi Hava Hazırlayıcılar
Winman G Serisi Hava Hazırlayıcılar
Winman C Serisi Hava Hazırlayıcılar
Winman Hassas Regülatörler
Yüksek Basınç Hava Hazırlayıcılar
Winman Ab Serisi Hava Hazırlayıcılar
Pnömatik Bağlantı Elemanları Fıttıngs
Winman Bağlantı Elemanları
Çabuk Bağlantı Elemanları
Çek Valfler
Kilitleme
Paslanmaz Çelik (Aısı 316) Fitingsler
Hız Kontrol Fitingsleri
El Kontrol Valfleri
MINI Fittingler
Pnömatik Bağlantı Elemanları
316 Yüksüklü Bağlantılar
Hız Kontrollü Çabuk Egzoz Valfi
Küresel Vanalar
MINI Sıkmalı Bağlantı Elemanları
Sıkmalı Fittingsler
Hortum Kesme Makası ve Hava Tabancası
Stop Bağlantı Elemanları
Kayar Valfler
Metal Çabuk Bağlantı Elemanları
Yüksüklü Bağlantılar
Egzoz Susturucular
Sang-A Bağlantı Elemanları
Sang-A Otomatik Bağlantı Elemanları
Winman Pnömatik Hortumlar
Winman Hortumlar
Winman Shock Absorber
Winman Paslanmaz Pistonlu Vanalar
Winman Quick Kaplin Bağlantılar
Winman Pistonlu Pirinç Vanalar
Winman Genel Maksat Solenoid Valfler
Winman Pnömatik Klempler
Winman Wpna Serisi Aktüatörler
Vakum
Smart Plunger
Valock
İğneli Gripper
Solar Master
Vakum Katrici
Vakum Konveyörü
Vakum Speeder
Seviye Yayları
Water Free
Magic Gripper
Süngerli Gripperler
Vmeca Vakum Pedleri
Vmeca Vakum Pompaları
Kaset Tipi Vakum Pompaları
Mini Vakum Pompası
Midi Vakum Pompası
Mega Vakum Pompası
Hat Tipi Vakum Pompaları
Klasik Tip Vakum Pompaları
Kaplumbağa Tip Vakum Pompası
Vtc Serisi Kaplumbağa Tip Vakum Pompası
Vtcl Serisi Kaplumbağa Tip Vakum Pompası
V Serisi Vakum Pompası
Vs Serisi V Pompa
Vls Serisi V Pompa
Vmeca Aksesuarlar
Susturucu Vts
Bj-Serisi Küresel Bağlantı
Bağlantı Fittingleri
Hat Tipi Filtre
Kaplumbağa Filtre Vtf
Kavanoz Tipi Vakum Filtresi Vtf
Mega Vakum Filtresi Vfs
Bıraktırma Hız Ayar Valfi 7770
Vms 18 Kontrol Valfi
Vms 38 Kontrol Valfi
2 2 Hat Tipi Yüksek Debi Valfi
Ms 18 Vakum Kontrol Ve Bıraktırma Yay Dönüşlü Yön Kontrol Valfi
Hava-Vakum Manifoltları
Basınç & Vakum Göstergesi
Döner Kol Teknolojisi
Vpf Boru Düz Bağlantı
Boru Köşe Bağlantı
Boru Tutucu Vsa 27
Döner Tutucu Vsc
Seviye Yayı Tutucu Vsb
Mesafe Parçası So
Taşıyıcı Pompa(Hava Taşıyıcı)
Otomasyon
Robotıq Elektrikli Tutucu
Winman Lineer Aktuatörler
On Robot Elektrikli Tutucu
Winman Lineer Yataklar
Winman Kremayerler
Hortum
Winman Pvc Şeffaf Telli Hortum
Hidrolik Hortum Presli Rekorları
Poliüretan Bakır Telli Fleks Hortumlar
Winman Hidrolik Hortumlar
Winman Bezli Hava Hortumları 10bar
Bezli Su Hortumları
Endüstriyel Hortumlarda İş Güvenliği Ekipmanları
Paslanmaz Tel Örgülü Yüksek Isı Hortumları
Hidrolik Hortum Diğer Çeşitleri
Bezli Hava Hortumları
Fda Ve Avrupa Birliği Normlarına Uygun Gıda Hortumları
Bezli Ve Telli Buhar Hortumları
Termoplastik Hidrolik - Hammadde Hortumları
Kimyasal Madde Dayanımlı Hortumlar
Kapatmak için tıklayınız
Winman Vs Serisi Kartriç Tip Orifisli Çekvalf
Ürün Broşürü